Grid-Integrated Solar–Wind Hybrid Energy System
For Improved Power Reliability and Access. An in-depth evaluation of planning, design, and performance.
1. Introduction
Energy systems across the world are undergoing a significant transition driven by rising electricity demand, the need for decarbonisation, increasing fuel price volatility, and concerns over grid resilience. Traditional electricity grids, historically designed around large centralised fossil-fuel power stations, face mounting pressure to adapt to variable renewable energy sources while maintaining reliability, affordability, and accessibility.
This case study examines the planning, design, implementation, and performance evaluation of a grid-connected hybrid renewable energy system combining solar photovoltaic (PV) generation and wind power. The project was developed to enhance electricity availability, improve grid stability, and reduce environmental impact in a region characterised by growing demand, variable renewable resources, and intermittent grid reliability.
Rather than focusing on a single technology, the project adopts a hybrid approach, leveraging the complementary generation profiles of solar and wind resources. The case study demonstrates how hybridisation, combined with appropriate grid integration strategies and energy management systems, can mitigate intermittency, improve system utilisation, and support sustainable energy expansion.

2. Project Context and Energy Challenges
2.1 Regional Energy Landscape
The project region experiences:
- Rapid population and economic growth
- Increasing electricity consumption across residential, commercial, and industrial sectors
- Seasonal and daily fluctuations in power demand
- Periodic grid instability and supply shortfalls
Historically, electricity generation in the region has relied heavily on conventional energy sources. While effective for baseload power, these systems have faced rising operating costs, fuel supply risks, and environmental pressures.
2.2 Renewable Energy Potential
Preliminary assessments identified strong renewable resource availability:
- High solar irradiation levels, particularly during daytime peak demand periods
- Consistent wind speeds, often strongest during evening and night hours
These characteristics made the region well-suited to a solar–wind hybrid configuration, offering the opportunity to balance generation across different times of day and weather conditions.
3. Rationale for a Hybrid Solar–Wind System
3.1 Limitations of Single-Source Renewables
Standalone renewable installations often face challenges:
- Solar PV produces no power at night and reduced output during cloudy periods
- Wind generation can be variable and seasonally dependent
- High variability increases strain on grid balancing mechanisms
3.2 Benefits of Hybridisation
By combining solar and wind generation:
- Output variability is reduced through complementary resource profiles
- Capacity utilisation improves
- Dependency on backup fossil-fuel generation decreases
- Grid reliability and power quality are enhanced
The hybrid approach allows for more predictable aggregate power output, making integration into existing grids more feasible and cost-effective.

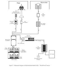
4. System Architecture and Design
4.1 Overall System Configuration
The hybrid system consists of:
- A utility-scale solar PV array
- A wind farm comprising multiple medium-capacity turbines
- Power conditioning units (inverters and converters)
- Grid interconnection infrastructure
- A central energy management and control system

4.2 Solar PV Subsystem
The solar installation includes:
- Ground-mounted PV modules optimised for local irradiation conditions
- String and central inverters for DC–AC conversion
- Monitoring systems for performance tracking and fault detection
Design considerations included panel tilt and orientation to maximise annual yield, minimising shading and land-use conflicts, and scalability for future capacity expansion.
4.3 Wind Energy Subsystem
The wind component comprises:
- Multiple horizontal-axis wind turbines
- Turbine spacing designed to minimise wake losses
- Individual turbine controllers linked to the central management system
Site selection accounted for wind speed distribution and turbulence intensity, proximity to grid connection points, and environmental and community impact considerations.
4.4 Grid Interconnection and Control
The hybrid system connects to the local electricity grid via step-up transformers, protection and synchronisation equipment, and supervisory control and data acquisition (SCADA) systems. Advanced control logic enables real-time balancing between solar and wind inputs, voltage and frequency regulation, and curtailment during grid congestion or overgeneration events.
5. Energy Management and Operational Strategy
5.1 Load Matching and Dispatch
The system prioritises:
- Supplying local demand
- Exporting excess energy to the grid
- Maintaining grid stability during variable conditions
By analysing historical demand patterns, the control system dynamically adjusts output to reduce mismatch between generation and consumption.
5.2 Variability Mitigation & 5.3 Maintenance
Hybrid operation reduces volatility by offsetting low solar output with wind generation during evenings and nights, leveraging solar output during daytime peak demand, and reducing rapid power ramps that stress grid infrastructure.
Operational strategies include predictive maintenance using performance analytics, scheduled inspections aligned with seasonal generation cycles, and redundancy in critical system components. These measures contribute to high system availability and reduced downtime.

6. Performance Evaluation
6.1 Energy Output
Post-implementation analysis shows improved annual energy yield compared to single-technology systems, higher effective capacity factor due to reduced idle periods, and more consistent power delivery throughout the day.
6.2 Grid Stability Impacts
Key improvements include reduced frequency deviations, improved voltage regulation at connection points, and lower reliance on fast-ramping conventional generators. Grid operators reported smoother integration compared to standalone renewable projects.
6.3 Energy Access
The project contributed to improved electricity availability in underserved areas, reduced outage frequency during peak demand periods, and enhanced power quality for sensitive commercial and industrial users.
7. Environmental and Social Impacts
7.1 Emissions Reduction
By displacing conventional generation, the hybrid system reduces greenhouse gas emissions, lowers local air pollutants, and supports long-term climate targets.
7.2 Land Use and Biodiversity
Mitigation measures included:
- Dual-use land strategies (e.g., agriculture beneath solar arrays)
- Wildlife monitoring near wind installations
- Careful siting to avoid sensitive habitats

7.3 Community Engagement
The project incorporated local stakeholder consultations, employment opportunities during construction and operation, and public awareness initiatives on renewable energy benefits.
8. Economic and Financial Analysis
8.1 Capital and Operating Costs
While hybrid systems require higher upfront investment than single-technology projects, cost advantages include shared infrastructure (grid connection, land, control systems), lower long-term operating costs, and reduced need for expensive energy storage or backup generation.
8.2 Revenue and Cost Savings
Economic benefits arise from stable energy export revenues, avoided fuel costs, and reduced grid balancing expenses. Over the system lifetime, these factors contribute to competitive levelised energy costs.
8.3 Risk Management
Diversifying generation sources reduces resource variability risk, revenue volatility, and exposure to single-technology failures.
9. Policy, Regulatory, and Planning Considerations
Successful implementation required clear grid interconnection standards, supportive renewable energy policies, and transparent permitting processes. The case study highlights the importance of regulatory frameworks that recognise the unique characteristics of hybrid renewable systems.
10. Challenges and Lessons Learned
10.1 Technical Challenges
- Managing complex control interactions
- Ensuring accurate forecasting of combined output
- Coordinating maintenance across technologies
10.2 Institutional Challenges
- Aligning stakeholder expectations
- Navigating multi-agency approval processes
- Integrating hybrid systems into legacy grid planning models
10.3 Key Lessons
- Early grid operator engagement is critical
- Hybrid systems benefit from advanced control and forecasting tools
- Policy flexibility accelerates deployment and optimisation


11. Replicability and Scalability
The hybrid model demonstrated in this case study is highly transferable:
- ASuitable for regions with mixed renewable resources
- BScalable from small regional grids to national systems
- CAdaptable to include energy storage or additional renewable sources
12. Conclusion
This case study demonstrates that grid-integrated solar–wind hybrid energy systems offer a robust, flexible, and sustainable solution to modern electricity challenges. By combining complementary renewable resources with advanced grid integration strategies, hybrid systems can deliver improved reliability, enhanced energy access, and meaningful environmental benefits.
While technical, financial, and regulatory complexities remain, the outcomes of this project illustrate that hybrid renewable systems are not only viable but increasingly essential to future-proof electricity networks. With appropriate planning, policy support, and stakeholder collaboration, similar projects can play a central role in accelerating the global energy transition.
